===产品快速通道===
单向超越离合器
胀紧联结套
电磁离合器
联轴器
逆止器
添加收藏
关于我们
产品展示
新闻资讯
服务平台
联系我们
留言反馈
产品展示
单向超越离合器
胀紧联结套
电磁离合器
联轴器
逆止器
纺织专用电磁离合器
单向超越离合器
当前位置:
首页
> 产品展示 > 单向超越离合器
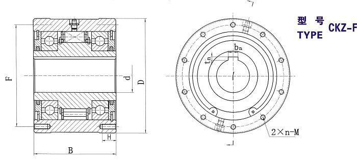
产品名称:单向超越离合器-CKZ-F
产品编号:
产品原价:¥
本站价格:¥
商品描述
 
  
西安帝佳工贸有限公司 版权所有 © 2011 备案号:
陕ICP备11005026号-1
邮件: 2438860862@qq.com 电话:029-84414984 13359213677